Трехфазный электродвигатель при пуске контактами магнитного пускателя подключается к трёхфазной сети переменного тока напряжением 380 вольт.
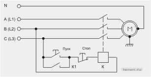
На рис 1. показан вариант схемы пуска с питанием катушки магнитного пускателя переменным током напряжением 220 вольт. Напряжение для схемы управления снимается с двух проводов: с фазного провода и провода нейтрали (на схеме рис.1 это провода «C» и «N»).

При нажатии кнопки «Пуск» напряжение 220 вольт через нормально замкнутые контакты кнопки «Стоп» поступает на обмотку магнитного пускателя. Сердечник обмотки втягивается и замыкает соединенные с ним три группы мощных контактов, подающие трехфазное напряжение на выводы обмоток электродвигателя.
Кроме трёх групп мощных контактов, магнитный пускатель замыкает группу маломощных нормально разомкнутых контактов (К1), включенных параллельно кнопке «Пуск». Контакты замыкаются и последующее отпускание кнопки «Пуск» уже не изменяет состояние схемы. Процесс пуска завершен.
Нейтральный провод (N) не участвует в питании электродвигателя, но, в соответствии с требованиями правил электробезопасности, при отсутствии заземления обязательно подсоединяется к корпусу электродвигателя. Если корпус электродвигателя по какой-то причине окажется под напряжением (например, фазная обмотка статора электродвигателя замкнёт на его корпус), то резко возрастёт потребляемый электродвигателем ток (идущий по цепи «фаза-нейтраль») и сработавшая схема защиты отключит электродвигатель от питающей сети, исключая тем самым поражение электрическим током человека, случайно прикоснувшегося к его корпусу.
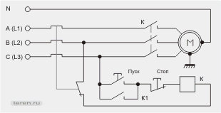
Схема пуска может работать с магнитными пускателями рассчитаными на переменное напряжение напряжение 220 и 380 вольт. Выбор типа магнитного пускателя определен только конкретными условиями монтажа схемы. Если провод «нейтраль» недоступен, то дешевле применить магнитный пускатель с питающим напряжением обмотки катушки электромагнита пускателя 380 вольт, чем прокладывать дополнительно провод «нейтрали» для питания пускателя с обмоткой на 220 вольт. Такой вариант схемы пуска показан ниже на Рисунке 2.

Токовая защита трехфазного электродвигателя
Трехфазный электродвигатель следует защищать от выхода из строя, что может случитьсяАвтоматические выключатели питания функционально выполнены как обычные выключатели электропитания. Автоматические выключатели осуществляют токовую защиту коммутируемых ими электрических цепей. При превышении тока срабатывает тепловая защита и выключатель размыкает электрическую цепь, в которой произошла неисправность. Срабатывание автомата происходит с точно такой же токово-временной зависимостью, как и в описанном выше устройстве токовой защиты: чем выше аварийный ток, тем быстрей отключится автомат.
Кроме того, автоматические выключатели питания быстро срабатывают при возникновении в защищаемой цепи, так называемых, экстра-токов. Такие токи возникают при коротких замыканиях электрических цепей. Экстра ток — это такой ток, который превышает номинальный (для данного конкретного типа выключателя) в 100 раз. Например, для выключателя SN45 с номинальным током срабатывания в 10А, экстра-током считается ток в 1000А.
На схеме подключения трехфазного электродвигателя к трехфазной электрической сети 380 вольт, изображенной на рис. 4, выключатель ВА является автоматическим выключателем питания.при повышеннии напряжения источника питания, при перегреве элементов конструкции электродвигателя и при аварийной остановке вращения ротора электродвигателя. Внешнюю электрическую цепь, питающую трехфазный электродвигатель, следует защищать от токовых перегрузок, которые возникают при коротком замыкании электрических проводов схемы между собой или внутреннем замыкании токоведущих компонентов электродвигателя.

Простейшая токовая защита трехфазного электродвигателя выполнена посредством включения в цепь питающих проводов токовых тепловых датчиков, входящих в состав типового устройства токовой защиты. Превышение тока, потребляемого электродвигателем, в течении небольшого времени времени вызывает размыкание исполнительных контактов датчика тока, последовательно включенных в цепь питания катушки магнитного пускателя.
Существует линейная зависимость времени срабатывания устройства токовой защиты от кратности превышения тока. Токовая защита с паспортным значением 100А сработает через 1,5 минуты после пропускания по любой одной фазе (или по двум или трём фазным проводам сразу) тока в 100 ампер. При превышении тока в два раза, защита сработает в два раза быстрее, чем при номинальном токе, т.е. через 45 секунд и т.д. Устройство токовой защиты имеет возможность регулировки в небольших пределах (в 1.5-2 раза) номинального тока срабатывания защиты.
При срабатывании устройства токовой защиты размыкаются исполнительные контакты теплового датчика тока, что вызывает обесточивание и отпускание сердечника катушки магнитного пускателя, включенного последовательно с этими контактами (рис.3) и, соответственно, отключение электродвигателя от источника питающего напряжения. После остывания датчика, для приведения устройства в исходное состояние, нажимается кнопка возврата. При этом исполнительные контакты токового датчика вновь замыкаются. Теперь кнопкой «Пуск» можно вновь запустить электродвигатель.
Автоматический выключатель питания трехфазного электродвигателя
Подключение трехфазного электродвигателя обеспечивается достаточно сложной схемой. Для защиты питающих проводов от перегрева, для защиты помещения от пожара в случае возгорания электропроводки при коротком замыкания, на входе схемы подключения трехфазного электродвигателя применяются автоматические выключатели электропитания. Схема с применением такого автомата токовой защиты изображена ниже на Рис.4

Автоматические выключатели питания функционально выполнены как обычные выключатели электропитания. Автоматические выключатели осуществляют токовую защиту коммутируемых ими электрических цепей. При превышении тока срабатывает тепловая защита и выключатель размыкает электрическую цепь, в которой произошла неисправность. Срабатывание автомата происходит с точно такой же токово-временной зависимостью, как и в описанном выше устройстве токовой защиты: чем выше аварийный ток, тем быстрей отключится автомат.
Кроме того, автоматические выключатели питания быстро срабатывают при возникновении в защищаемой цепи, так называемых, экстра-токов. Такие токи возникают при коротких замыканиях электрических цепей. Экстра ток — это такой ток, который превышает номинальный (для данного конкретного типа выключателя) в 100 раз. Например, для выключателя SN45 с номинальным током срабатывания в 10А, экстра-током считается ток в 1000А.
На схеме подключения трехфазного электродвигателя к трехфазной электрической сети 380 вольт, изображенной на рис. 4, выключатель ВА является автоматическим выключателем питания.




